为什么需要绝缘测试?
武汉特高压旗下的绝缘电阻测试仪可以帮助众多电力工作者更加方便的进行各类电力测试。
为什么需要绝缘测试?
电器和装置的所有带电导体必须绝缘,以防止意外接触造成的触电危险、短路引起的火灾危险和设备损坏。此外,安装中的低绝缘电阻会导致漏电流,从而导致能源浪费,从而增加安装的运行成本。

必须通过施加高于其正常工作电压的电器或装置来检查绝缘电阻,因为绝缘电阻在较高电压下低于在较低电压下。共立的绝缘电阻测试仪可在高测试电压下进行测量。
定期测试对于确保装置或电器的绝缘不会变质也很重要。异物和机械因素(如磨损或破损)可能会降低绝缘电阻。定期测试和数据记录可以检测绝缘中可能存在的故障。
绝缘测试方法
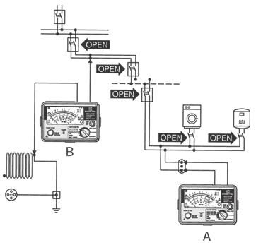
带电导体之间绝缘电阻的测量 (A)
在测试之前,请确保要测试的电路或部分安装与主电源断开连接且未通电。还需要确保:要检查的安装点由于包含其他设备而未打开,与固定负载和插座连接的负载与电源断开,继电器线圈,荧光灯等不会在导体之间产生连续性。可能被绝缘测试电压损坏的电路或元件必须从被测电路中移除。如果它们不能断开,另一种测试方法是测量带电导体和接地之间的绝缘电阻。
测量带电导体和接地之间的绝缘电阻(B)
测试必须在设备始终断开连接的情况下进行,即在电源开关打开的情况下,必须与电源断开连接。接地端子必须接地,线路端子必须连接到一个或多个带电导体。如果绝缘劣化或室内电气装置未部分或全部绝缘,则可能会发生各种电气危险。

A-带电导体之间带电导体和接地之间的B-间
举一些例子;
1.对人体危险的漏电流会发展。对于没有良好接地的设备尤其如此,因此没有适当地防止电位差。
2.由于电流泄漏或微观放电而导致导体过热会导致短路或火灾。
3.RCD 会跳闸,导致设备损坏,也会导致短路和火灾。

